Требуется исполнитель :
Любой город
Надо изготовить :
Нарисовать Gerber file ( RS-274X format ) простого модуля LM36011 для pcbwave.
Главное условие, чтобы pcbwave принял этот Gerber файл.
Делаю для себя, для хобби.
Планируемый бюджет, оплата :
Договорная, перевод онлайн по СБП
Сроки :
Неделя
Для связи :
Форум
Информация по изделию:
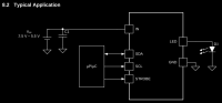
Фото примерной разводки и размеры модуля. Схема и даташит https://www.ti.com/lit/gpn/LM36011

Схема ( 1 конденсатор и 1 микросхема). Вот и вся схема)

Любой город
Надо изготовить :
Нарисовать Gerber file ( RS-274X format ) простого модуля LM36011 для pcbwave.
Главное условие, чтобы pcbwave принял этот Gerber файл.
Делаю для себя, для хобби.
Планируемый бюджет, оплата :
Договорная, перевод онлайн по СБП
Сроки :
Неделя
Для связи :
Форум
Информация по изделию:
Фото примерной разводки и размеры модуля. Схема и даташит https://www.ti.com/lit/gpn/LM36011

Схема ( 1 конденсатор и 1 микросхема). Вот и вся схема)

Изменено: